
Α εναλλαγή σαγιονάρας (T flip-flop) είναι ένα διαδοχικό λογικό κύκλωμα που αποθηκεύει ένα bit δεδομένων και αλλάζει την έξοδό του με βάση ένα σήμα ρολογιού.
Ονομάζεται εναλλαγή flip-flop επειδή η έξοδος αλλάζει μεταξύ 0 και 1.
• T = 0 → η έξοδος παραμένει ίδια (αναμονή)
• T = 1 → διακόπτες εξόδου στην αντίθετη κατάσταση (εναλλαγή)
Ένα T flip-flop έχει ένα είσοδος (T), α είσοδος ρολογιού (CLK)και δύο εξόδους, Q και το συμπλήρωμά του Q̅, που αντιπροσωπεύουν τις τρέχουσες και τις αντίθετες καταστάσεις του κυκλώματος.Η έξοδος αλλάζει μόνο στην άκρη του ρολογιού, εξασφαλίζοντας αξιόπιστη λειτουργία.Λόγω της απλής δομής του, το T flip-flop χρησιμοποιείται ευρέως σε ψηφιακά κυκλώματα.

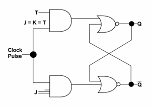
Εικόνα 2. JK Flip-Flop Μετατράπηκε σε T Flip-Flop με σύνδεση J = K = T
Το JK flip-flop είναι ένα ευέλικτο κύκλωμα που χρησιμοποιείται για την αποθήκευση ενός bit δεδομένων.Έχει τρεις εισόδους: J, K και CLK.
Βασική λειτουργία του JK Flip-Flop
• J = 0, K = 0 → αναμονή (καμία αλλαγή)
• J = 0, K = 1 → επαναφορά (Q = 0)
• J = 1, K = 0 → σύνολο (Q = 1)
• J = 1, K = 1 → εναλλαγή
Επειδή υποστηρίζει πολλαπλές λειτουργίες, ονομάζεται α καθολική σαγιονάρα.
Χαρακτηριστική Εξίσωση

Εικόνα 3. Χαρακτηριστική εξίσωση JK Flip-Flop
Ένα T flip-flop μπορεί να δημιουργηθεί συνδέοντας:
J = K = Τ
Αποτέλεσμα: Πότε T = 0, το flip-flop διατηρεί την τρέχουσα κατάστασή του, ενώ όταν T = 1, αλλάζει στην αντίθετη κατάσταση.
Η έξοδος εξακολουθεί να αλλάζει μόνο στην άκρη του ρολογιού.
Πότε T = 1, η έξοδος αλλάζει με κάθε παλμό ρολογιού, έτσι το κύκλωμα λειτουργεί ως διαιρέτης συχνότητας.
Η συμπεριφορά ενός T flip-flop δίνεται από:
Q(επόμενο) = T ⊕ Q
Πού: ⊕ αντιπροσωπεύει το XOR (αποκλειστικό OR), δηλαδή η έξοδος αλλάζει μόνο όταν οι είσοδοι είναι διαφορετικές.
Παράδειγμα
Αρχικό Q = 0
Πότε T = 1, ο επόμενος παλμός ρολογιού αλλάζει το Q σε 1 και στον επόμενο παλμό ρολογιού, το Q αλλάζει ξανά στο 0, δείχνοντας ότι η έξοδος αλλάζει με κάθε κύκλο ρολογιού.
|
Τ |
Ρολόι
Κατάσταση |
Παρούσα κατάσταση (Q) |
Επόμενη κατάσταση (Q(επόμενο)) |
Λειτουργία |
|
0 |
Ανερχόμενη άκρη |
0 |
0 |
Κρατήστε |
|
0 |
Ανερχόμενη άκρη |
1 |
1 |
Κρατήστε |
|
1 |
Ανερχόμενη άκρη |
0 |
1 |
Εναλλαγή |
|
1 |
Ανερχόμενη άκρη |
1 |
0 |
Εναλλαγή |
|
Χ |
Χωρίς άκρη ρολογιού |
Q |
Q |
Καμία αλλαγή |

Εικόνα 4. T Λειτουργία Flip-Flop στις ανερχόμενες άκρες του ρολογιού
Ένα T flip-flop λειτουργεί με βάση το σήμα ρολογιού και το Είσοδος T.Η έξοδος αλλάζει μόνο στην ανερχόμενη άκρη του ρολογιού, όπου T = 0 διατηρεί την τρέχουσα κατάσταση αμετάβλητη και T = 1 προκαλεί την εναλλαγή της εξόδου.Αυτό εξασφαλίζει σταθερή και αξιόπιστη λειτουργία.
Ένα T flip-flop μπορεί επίσης να συσχετιστεί με άλλα flip-flop μέσω απλών μετατροπών.Ένα JK flip-flop μπορεί να μετατραπεί σε D flip-flop με σύνδεση Δ να J και ΟΧΙ Δ να Κ, με αποτέλεσμα την εξίσωση Q(επόμενο) = Δ, όπου η έξοδος ακολουθεί απευθείας την είσοδο.Σε ένα D flip-flop, D = 0 ορίζει την έξοδο στο 0, ενώ D = 1 το θέτει σε 1.
Ομοίως, ένα T flip-flop μπορεί να υλοποιηθεί χρησιμοποιώντας ένα D flip-flop με an Πύλη XOR, όπου D = T ⊕ Q.Αυτή η διαμόρφωση παράγει την ίδια συμπεριφορά εναλλαγής με ένα T flip-flop.
Χρήση SR Flip-Flop: Απαιτεί πρόσθετη λογική για την αποφυγή μη έγκυρων συνθηκών εισαγωγής.
Χρησιμοποιώντας το D Flip-Flop: Χρησιμοποιεί πύλη XOR, παρέχοντας απλό και αποτελεσματικό σχεδιασμό.
Χρησιμοποιώντας το JK Flip-Flop: Συνδέει τις εισόδους J και K μεταξύ τους, καθιστώντας τον ευκολότερο τρόπο επίτευξης συμπεριφοράς εναλλαγής.
Διεύθυνση Συχνότητας - Διαιρεί το σήμα ρολογιού με το 2. Πολλά στάδια μπορούν να διαιρεθούν περαιτέρω.
μετρητές - Χρησιμοποιείται στη δυαδική μέτρηση (π.χ., μετράει 4-bit 0–15)
Ripple Counters - Απλός σχεδιασμός αλλά μπορεί να έχει μικρές καθυστερήσεις
Αποθήκευση δεδομένων - Αποθηκεύει ένα bit μέχρι το επόμενο σήμα ρολογιού
Σύγχρονα Κυκλώματα - Διατηρεί συντονισμένες τις λειτουργίες του συστήματος
Μητρώα Shift - Μετακινεί τα δεδομένα βήμα προς βήμα στα συστήματα επικοινωνίας

Σχήμα 5. T vs D vs JK Flip-Flop Σύγκριση συμβόλων
|
Χαρακτηριστικό |
Τ |
Δ |
JK |
|
Εισροές |
1 |
1 |
2 |
|
Λειτουργία |
Εναλλαγή |
Αντιγραφή εισόδου |
Πολλαπλές |
|
Εναλλαγή |
Ναι |
Όχι |
Ναι |
|
Κρατήστε |
Ναι |
Μόνο αν η είσοδος παραμένει αμετάβλητη |
Ναι |
|
Ρύθμιση/Επαναφορά |
Όχι απευθείας |
Ναι |
Ναι |
|
Χρήση |
μετρητές |
Αποθήκευση |
Έλεγχος |
|
Πολυπλοκότητα |
Χαμηλό |
Χαμηλό |
Μεσαίο |
|
Λάθος |
Σωστό
Ιδέα |
|
T = 0 σημαίνει επαναφορά |
T = 0 κρατά την κατάσταση |
|
Συνεχής εναλλαγή |
Εναλλάσσεται μόνο στην άκρη του ρολογιού |
|
Σταθερή ακολουθία εξόδου |
Εξαρτάται από την αρχική κατάσταση |
|
Ξεχωριστό από το JK |
Κατασκευάστηκε από JK (J = K = T) |
|
Αγνοώντας την άκρη του ρολογιού |
Η έξοδος αλλάζει μόνο στην άκρη του ρολογιού |
Το T flip-flop είναι ένα απλό και αποτελεσματικό κύκλωμα που αλλάζει κατάσταση ως απόκριση στα σήματα ρολογιού.Η ικανότητά του να εναλλάσσεται το καθιστά χρήσιμο σε μετρητές, διαίρεση συχνοτήτων και άλλες ψηφιακές εφαρμογές.Η κατανόηση της λειτουργίας και του σχεδιασμού του βοηθά στη δημιουργία ισχυρών θεμελίων στα ψηφιακά λογικά συστήματα.
Σχετικά με εμάς
Ικανοποίηση του πελάτη κάθε φορά.Αμοιβαία εμπιστοσύνη και κοινά συμφέροντα.
Everything You Need to Know About LED Wavelength
2026-04-16
Το MOSFET ως διακόπτης: Επεξήγηση λειτουργίας, τύπων και εφαρμογών
2026-04-15
Το κύριο πλεονέκτημα είναι ο απλός σχεδιασμός του.Χρησιμοποιεί μόνο μία είσοδο και μπορεί εύκολα να αλλάξει καταστάσεις, καθιστώντας το αποτελεσματικό για μετρητές και χρονισμό κυκλώματα.
Επειδή αλλάζει κατάσταση σε κάθε παλμό ρολογιού όταν T = 1, διαιρεί τη συχνότητα ρολογιού εισόδου με το 2.
Η έξοδος παραμένει αμετάβλητη, ανεξάρτητα από την είσοδο T, επειδή τα flip-flops ανταποκρίνονται μόνο σε σήματα ρολογιού.
Ένα T flip-flop είναι ένα μεμονωμένο στοιχείο αποθήκευσης, ενώ ένας δυαδικός μετρητής χρησιμοποιεί πολλαπλά flip-flop συνδεδεμένα μεταξύ τους για την καταμέτρηση τιμών.
Οι περισσότερες σαγιονάρες T χρησιμοποιούν ενεργοποίηση άκρων, συνήθως την ανερχόμενη άκρη, για να εξασφαλίσουν ακριβείς και σταθερές αλλαγές κατάστασης.
Όχι, απαιτείται ανάδραση από την έξοδο για να ενεργοποιηθεί η συμπεριφορά εναλλαγής.
Ένα απλό T flip-flop αποθηκεύει ένα bit δεδομένων, είτε 0 είτε 1.
ΗΛΕΚΤΡΟΝΙΚΗ ΔΙΕΥΘΥΝΣΗ: Info@ariat-tech.comHK TEL: +852 30501966ΠΡΟΣΘΕΤΩ: Rm 2703 27Ρ Ho King Comm Center 2-16,
Φου Γιουέν Σεν Μόνγκ Κοκ Κονόλ, Χονγκ Κονγκ.