
ο STM8S103F3P6 είναι ένας μικροελεγκτής 8-bit που κατασκευάζεται από την Stmicroelectronics, φημισμένη για την εντυπωσιακή λειτουργικότητά του και την απρόσκοπτη ενσωμάτωση.Αυτή η συμπαγής συσκευή είναι εξοπλισμένη με στυλ τοποθέτησης συσκευής (SMD), ενσωματώνοντας έναν προηγμένο πυρήνα και περιφερειακά που κατασκευάζονται σχολαστικά χρησιμοποιώντας τεχνολογία αιχμής.Με συχνότητα ρολογιού 16 MHz, το STM8S103F3P6 διαθέτει μια ισχυρή ικανότητα I/O, εξασφαλίζοντας αποτελεσματική επεξεργασία και χειρισμό δεδομένων.Ο ανεξάρτητος χρονοδιακόπτης του Watchdog, εξοπλισμένο με ένα ανεξάρτητο σύστημα πηγής ρολογιού και ρολογιού, εγγυάται τη βέλτιστη απόδοση της συσκευής και την ανθεκτικότητα ενάντια σε πιθανές διαταραχές.
Ένα από τα χαρακτηριστικά του standout είναι η μνήμη flash, η οποία παρέχει μη πτητική αποθήκευση για κώδικα και δεδομένα.Με ένα εύρος τάσης λειτουργίας που εκτείνεται από 2,95 V έως 5,5 V, αυτός ο μικροελεγκτής είναι εξαιρετικά ευπροσάρμοστος και προσαρμόσιμος σε διάφορες εφαρμογές.Επιπλέον, προσφέρει ένα ευρύ φάσμα θερμοκρασίας λειτουργίας από -40 ° C έως 85 ° C, καθιστώντας την κατάλληλη για ανάπτυξη σε διαφορετικές περιβαλλοντικές συνθήκες.
• MSP430G2353
• PIC16LF18444T
• STM8S103F3P3
• STM8S103F3P6TR


Χαμηλή κατανάλωση ενέργειας: Διαθέτει μια ποικιλία λειτουργιών κατανάλωσης χαμηλής ισχύος για να διαλέξετε, συμπεριλαμβανομένης της λειτουργίας αναμονής, της λειτουργίας ύπνου, της λειτουργίας βαθιάς ύπνου και της λειτουργίας απενεργοποίησης, η οποία μπορεί να επεκτείνει αποτελεσματικά τη διάρκεια ζωής της μπαταρίας και να εξοικονομήσει ενέργεια.
Υψηλής απόδοσης: Υιοθετεί αρχιτεκτονική πυρήνα STM8 υψηλής απόδοσης, η οποία επιτρέπει τη συχνότητα λειτουργίας να είναι τόσο υψηλή όσο το 16MHz, η οποία βελτιώνει σημαντικά την ταχύτητα εκτέλεσης διδασκαλίας και παρέχει πιο αποτελεσματικές δυνατότητες πληροφορικής για τις εφαρμογές μας.
Πολλαπλές διεπαφές επικοινωνίας: Υποστηρίζει μια ποικιλία διεπαφών επικοινωνίας, συμπεριλαμβανομένου του SPI (σειριακή περιφερειακή διασύνδεση), του I2C και του UART.Μέσω αυτών των διεπαφών, μπορεί εύκολα να επικοινωνήσει και να αλληλεπιδράσει με εξωτερικές συσκευές για να επιτύχει περισσότερες λειτουργίες και εφαρμογές.
Άφθονα περιφερειακά: Το μικροελεγκτή STM8S103F3P6 έχει άφθονους περιφερειακούς πόρους, συμπεριλαμβανομένων των 16KB μνήμης flash και 1KB μνήμης RAM, καθώς και των συνηθισμένων διεπαφών όπως οι ακροδέκτες GPIO, οι χρονοδιακόπτες και το UART.Η ποικιλομορφία αυτών των περιφερειακών καθιστά τη συσκευή κατάλληλη για διάφορα σενάρια εφαρμογής και μπορεί να καλύψει τις ανάγκες των διαφόρων πεδίων και βιομηχανιών.Είτε πρόκειται για βιομηχανικό έλεγχο, έξυπνο σπίτι ή ενσωματωμένα συστήματα, το STM8S103F3P6 μπορεί να παρέχει υποστήριξη.

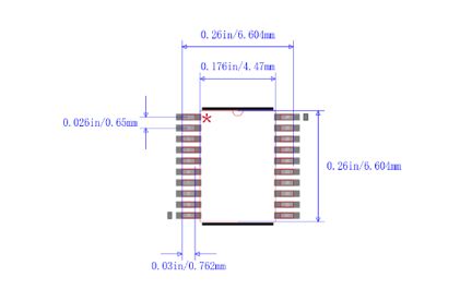
Το STM8S103F3P6 συσκευάζεται σε ένα λεπτό πακέτο μικρού περιγράμματος (TSSOP) και έχει 20 ακίδες.Η απόσταση του σώματος και του μολύβδου είναι μικρότερα από τα τυποποιημένα πακέτα SOIC.Ένα τυπικό χαρακτηριστικό του TSSOP είναι ο σχηματισμός ακίδων γύρω από το συσκευασμένο τσιπ, το οποίο το καθιστά κατάλληλο για την τοποθέτηση καλωδίωσης σε PCB χρησιμοποιώντας την τεχνολογία SMT.Όταν χρησιμοποιείτε το πακέτο TSSOP, οι παρασιτικές παράμετροι (διαταραχές τάσης εξόδου που προκαλούνται από μεγάλες αλλαγές στο ρεύμα) είναι μικρότερες, επομένως είναι κατάλληλες για εφαρμογές υψηλής συχνότητας.Αυτό το είδος πακέτου είναι πιο βολικό για τη λειτουργία και έχει μεγαλύτερη αξιοπιστία.
Το πακέτο TSSOP έχει τα ακόλουθα χαρακτηριστικά:
• Μικρή απόσταση PIN: Η απόσταση των ακίδων είναι γενικά 0,5mm ή 0,65mm.Μέσω του σχεδιασμού των χαλκών κυκλωμάτων κυκλώματος, μπορούν να τοποθετηθούν περισσότερες συσκευές στην πλακέτα κυκλώματος με την ίδια περιοχή και μέγεθος.
• Ευρύ πεδίο εφαρμογής: Μπορεί να εφαρμοστεί σε διάφορα πεδία εφαρμογών, όπως μικροελεγκτές, DSPs, μάρκες μνήμης και τσιπ τροφοδοσίας.
• Υψηλός αριθμός ακίδων: Ο αριθμός των ακίδων είναι γενικά περίπου 20 έως 64, ο οποίος μπορεί να πληροί ορισμένες απαιτήσεις ολοκλήρωσης τσιπ.
• Μικρό μέγεθος πακέτου: Σε σύγκριση με τα συνηθισμένα πακέτα μικρών περιγράμματος (SO), το μέγεθος του πακέτου του είναι μικρότερο, το πάχος είναι λεπτότερο και ο όγκος είναι μικρότερος, καθιστώντας την κατάλληλη για συσκευασία ολοκληρωμένων κυκλωμάτων υψηλής πυκνότητας.
• Υψηλής απόδοσης: υιοθετεί την τεχνολογία επιφανειακής μονάδας, έχει καλή αγωγιμότητα και αντοχή στη διάβρωση και μπορεί να ανταποκριθεί σε ειδικές απαιτήσεις όπως υψηλή ταχύτητα, υψηλή συχνότητα, μικρογραφία και ούτω καθεξής.
Εκτός εάν ορίζεται διαφορετικά, όλες οι τάσεις αναφέρονται στο VSS.
Οι ελάχιστες και μέγιστες τιμές είναι εγγυημένες υπό τις πιο δυσμενείς συνθήκες, που περιλαμβάνει θερμοκρασία περιβάλλοντος, τάση τροφοδοσίας και συχνότητες.Αυτές οι εγγυήσεις καθορίζονται μέσω αυστηρών δοκιμών παραγωγής που πραγματοποιούνται στο 100% των συσκευών, που διεξάγονται σε θερμοκρασία περιβάλλοντος TA = 25 ° C και TA = TAMAX (όπως ορίζεται από το επιλεγμένο εύρος θερμοκρασίας).
Οι τιμές που βασίζονται σε αποτελέσματα χαρακτηρισμού, προσομοιώσεις σχεδιασμού και/ή τεχνολογικά χαρακτηριστικά περιγράφονται στις υποσημειώσεις του πίνακα και δεν έχουν υποβληθεί σε δοκιμές παραγωγής.Όσον αφορά τον χαρακτηρισμό, οι ελάχιστες και οι μέγιστες τιμές αφορούν τις αξιολογήσεις των δειγμάτων και σημαίνουν τη μέση τιμή με ένα εύρος συν ή μείον τρεις φορές την τυπική απόκλιση (μέσος όρος ± 3σ).
Εκτός αν αναφερθεί ρητά διαφορετικά, τα τυποποιημένα δεδομένα καθορίζονται με TA = 25 ° C, VDD = 5 V. Οι τιμές αυτές παρέχονται αποκλειστικά ως αναφορές σχεδιασμού και δεν έχουν υποβληθεί σε δοκιμές.
Η τυπική ακρίβεια των τιμών ADC καθορίζεται μέσω του χαρακτηρισμού ενός συνόλου δειγμάτων από μια τυπική παρτίδα διάχυσης σε ολόκληρο το πλήρες εύρος θερμοκρασιών.Σε αυτό το πλαίσιο, το 95% των συσκευών παρουσιάζουν σφάλμα εντός της καθορισμένης τιμής (μέσος όρος ± 2σ).
Εκτός αν αναφέρεται ειδικά, όλα τα τυποποιημένα γραφήματα προορίζονται αποκλειστικά ως αναφορές σχεδιασμού και δεν έχουν υποβληθεί σε δοκιμές.
Η υπέρβαση των καθορισμένων απόλυτων μέγιστων αξιολογήσεων μπορεί να οδηγήσει σε μόνιμη ζημιά στη συσκευή.Αυτές οι αξιολογήσεις υποδεικνύουν αποκλειστικά τα όρια του στρες που μπορεί να υπομείνει η συσκευή και δεν υπονοείται ότι η συσκευή θα λειτουργεί σωστά υπό αυτές τις συνθήκες.Η έκθεση σε συνθήκες σε ή κοντά στις μέγιστες αξιολογήσεις μπορεί να επηρεάσει δυσμενώς την αξιοπιστία της συσκευής.
Το προφίλ αποστολής της συσκευής, το οποίο περιγράφει τις συνθήκες εφαρμογής της, προσκολλάται στο πρότυπο προσόντων JEDEC JESD47, με εκτεταμένα προφίλ αποστολής διαθέσιμα κατόπιν αιτήματος.
Για να επιτευχθεί σταθερότητα για τον πρωτογενή ρυθμιστή, ένας εξωτερικός πυκνωτής που χαρακτηρίζεται από CEXT θα πρέπει να συνδεθεί στον ακροδέκτη VCAP.Είναι απαραίτητο να διασφαλιστεί ότι η επαγωγή της σειράς παραμένει κάτω από 15 NH.
Η τρέχουσα κατανάλωση μετράται όπως απεικονίζεται στην ακόλουθη εικόνα.

Συνολική κατανάλωση ρεύματος τροφοδοσίας σε λειτουργία εκτέλεσης
Το MCU τοποθετείται υπό τις ακόλουθες συνθήκες:
• Όλα τα περιφερειακά είναι απενεργοποιημένα (το ρολόι σταμάτησε με καταχωρητές περιφερειακού ρολογιού) εκτός εάν αναφέρεται ρητά.
• Οι όλες οι ακροδέκτες εισόδου σε λειτουργία εισόδου με στατική τιμή σε VDD ή VSS (χωρίς φορτίο)
Υπόκειται σε γενικές συνθήκες λειτουργίας για VDD και TA.

Το STM8S103F3P6 έχει 20 ακίδες, τα ονόματα και οι λειτουργίες του είναι οι εξής:
PIN1 (PD4/ BEEP/ TIM2_ CH1/ UART1 _CK): Θύρα D4
PIN2 (PD5/ AIN5/ UART1 _TX): Θύρα D5
PIN3 (PD6/ AIN6/ UART1 _RX): Θύρα D6
Pin4 (NRST): Επαναφορά
Pin5 (PA1/Oscin): Θύρα A1
Pin6 (PA2/OSCOUT): Θύρα A2
Pin7 (VSS): ψηφιακό έδαφος
PIN8 (VCAP): 1,8 V ρυθμιστής ρυθμιστή
PIN9 (VDD): Ψηφιακή παροχή ρεύματος
PIN10 (PA3/ TIM2_ CH3 [SPI_ NSS]): Θύρα A3
PIN11 (PB5/ I2C_ SDA [TIM1_ BKIN]): Θύρα B5
Pin12 (PB4/ I2C_ SCL): Θύρα B4
PIN13 (PC3/ TIM1_CH3 [TLI] [TIM1_ CH1N]): Θύρα C3
PIN14 (PC4/ CLK_CCO/ TIM1_ CH4/ AIN2/ [TIM1_ CH2N]): Θύρα C4
PIN15 (PC5/ SPI_SCK [TIM2_ CH1]): Θύρα C5
PIN16 (PC6/ SPI_MOSI [TIM1_ CH1]): Θύρα C6
PIN17 (PC7/ SPI_MISO [TIM1_ CH2]): Θύρα C7
PIN18 (PD1/ SWIM): Θύρα D1
PIN19 (PD2/ AIN3/ [TIM2_ CH3]): Θύρα D2
PIN20 (PD3/ AIN4/ TIM2_ CH2/ ADC_ ETR): Θύρα D3
Όπως φαίνεται στο παραπάνω σχήμα, το τσιπ STM8S103F3P6 έχει έως και 16 ακίδες I/O, οι οποίες μπορούν να χρησιμοποιηθούν για διάφορους σκοπούς, όπως το GPIO, οι περιφερειακές διεπαφές, οι ADC, κλπ.Χρησιμοποιείται ως ακροδέκτες εισόδου για να διαβάσετε εξωτερικά σήματα ή ως ακροδέκτες εξόδου για να στείλετε σήματα σε εξωτερικές συσκευές.Επιπλέον, κάθε PIN εισόδου/εξόδου μπορεί να αποδοθεί ανεξάρτητα ένας φορέας διακοπής για να διευκολυνθεί η ακριβής επεξεργασία των διακοπών όταν συμβαίνουν.
• Συστήματα αυτοματισμού: Αυτός ο μικροελεγκτής μπορεί να χρησιμοποιηθεί σε συστήματα αυτοματισμού, όπως ηλεκτρικές κουρτίνες, συστήματα ελέγχου πρόσβασης, έλεγχος θερμοκρασίας και έλεγχος φωτισμού.
• Εφαρμογή IoT (Internet of Things): Εάν πρέπει να αναπτύξουμε συσκευές IoT, μπορεί να χρησιμοποιηθεί ως ελεγκτής για κόμβους IoT για να συνδεθεί και να ελέγξει διάφορους αισθητήρες και μονάδες επικοινωνίας.
• Προσωπικές ηλεκτρονικές συσκευές: χρησιμοποιούνται σε ψηφιακές κάμερες, παίκτες MP3 και MP4, ηλεκτρονικές κονσόλες παιχνιδιών κ.λπ.
• Ηλεκτρονικός εξοπλισμός: Χρησιμοποιείται για την ανάπτυξη διαφόρων ηλεκτρονικών εξοπλισμού
, όπως ηλεκτρονικά παιχνίδια, τηλεχειριστήρια, μίνι υπολογιστές κ.λπ.
• Βιομηχανικό πεδίο: Χρησιμοποιείται στο PLC, Βιομηχανικούς ελεγκτές, αυτοματοποίηση διαδικασιών και αυτόματο εξοπλισμό ελέγχου, κ.λπ.
• Εργασία δεδομένων και διεπαφή αισθητήρων: Χρησιμοποιείται για την παρακολούθηση των περιβαλλοντικών συνθηκών και τη συλλογή δεδομένων ή τη σύνδεση διαφόρων αισθητήρων όπως αισθητήρες φωτός, αισθητήρες θερμοκρασίας και αισθητήρες υγρασίας.
• Ενσωματωμένο σύστημα ελέγχου: Χρησιμοποιείται για το σχεδιασμό διαφόρων ενσωματωμένων συστημάτων ελέγχου, όπως οικιακές συσκευές, βιομηχανικός εξοπλισμός, ηλεκτρικά εργαλεία κλπ. Η ισχύς επεξεργασίας 8-bit είναι επαρκής για πολλά απλά καθήκοντα ελέγχου.
Το STM8S103F3P6 είναι ένα τσιπ μικροελεγκτή που αναπτύχθηκε από την Stmicroelectronics.Ανήκει στην οικογένεια STM8 των μικροελεγκτών 8-bit και χρησιμοποιείται ευρέως σε διάφορα ενσωματωμένα συστήματα και εφαρμογές IoT.
Η μονάδα μικροελεγκτή STM8S103F3P6 διαθέτει 640 bit ROM, 10-bit 5 καναλιών ADC, 1KB RAM και με μέγεθος μνήμης προγράμματος 8KB.
Μπορούμε να αντικαταστήσουμε το STM8S103F3P6 με τα MSP430G2353, PIC16LF18444T, STM8S103F3P3, STM8S103F33TR ή STM8S103F3P6TR.
Ναι, το STM8S103F3P6 έχει σχεδιαστεί με χαρακτηριστικά χαμηλής ισχύος και μπορεί να χρησιμοποιηθεί σε εφαρμογές με μπαταρία ή χαμηλής ισχύος όπου είναι απαραίτητη η ενεργειακή απόδοση.
Ορισμένα βασικά χαρακτηριστικά του STM8S103F3P6 περιλαμβάνουν τους ακροδέκτες GPIO (εισροή/έξοδο γενικού σκοπού), επικοινωνία UART (Universal Asynchronous Receiver/Transmitter), επικοινωνία I2C (Inter-Integrated Circuit), SPI (σειριακή περιφερική διεπαφή) επικοινωνία, χρονοδιακόπτες και πολλά άλλα.
Σχετικά με εμάς
Ικανοποίηση του πελάτη κάθε φορά.Αμοιβαία εμπιστοσύνη και κοινά συμφέροντα.
Τεχνικές προδιαγραφές του λιθίου νομίσματος CR2354
2024-08-02
Περιεκτικός οδηγός για τον μικροελεγκτή ATMEGA328-PU
2024-08-02
ΗΛΕΚΤΡΟΝΙΚΗ ΔΙΕΥΘΥΝΣΗ: Info@ariat-tech.comHK TEL: +852 30501966ΠΡΟΣΘΕΤΩ: Rm 2703 27Ρ Ho King Comm Center 2-16,
Φου Γιουέν Σεν Μόνγκ Κοκ Κονόλ, Χονγκ Κονγκ.