

|
Καρφίτσα Αρ. |
Μνημονικός |
Περιγραφή |
|
1 |
Ref ( -) |
Αρνητική είσοδος τάσης αναφοράς. |
|
2 |
-Σε |
Αναστροφή εισόδου. |
|
3 |
+Σε |
Μη επένδυση εισόδου. |
|
4 |
-V_S |
Αρνητική τάση τροφοδοσίας. |
|
5 |
Ref (+) |
Θετική είσοδος τάσης αναφοράς. |
|
6 |
ΠΑΡΑΓΩΓΗ |
Παραγωγή. |
|
7 |
+V_S |
Θετική τάση τροφοδοσίας. |
|
8 |
Nc |
Χωρίς σύνδεση.Μην συνδεθείτε σε αυτόν τον πείρο. |

Ο AD8479 Ο ενισχυτής διαφοράς είναι αξιοσημείωτος για την έμπεισή του στη διαχείριση υψηλών τάσεων κοινής λειτουργίας εισόδου, φθάνοντας μέχρι ± 600 V. Αυτή η ικανότητα καθιστά κατάλληλη για μετρήσεις ακρίβειας όπου απαιτείται η ακρίβεια ακόμη και παρουσία μεγάλων τάσεων κοινής λειτουργίας.Ο σχεδιασμός του εξασφαλίζει σημαντική αντίσταση στην ανεπιθύμητη τάση V ariat, προωθώντας ένα αξιόπιστο περιβάλλον μέτρησης.
• Ο ενισχυτής διαφοράς ακριβείας AD8479 διαθέτει ένα εύρος τάσης κοινής λειτουργίας ± 600 V, απόδοση σιδηροτροχιάς προς σιδηροτροχιά και σταθερό κέρδος 1.
• Λειτουργεί σε ένα ευρύ φάσμα τροφοδοσίας ± 2,5 V έως ± 18 V, με τυπικό ρεύμα τροφοδοσίας 550 μΑ.
• Ο ενισχυτής προσφέρει εξαιρετικές προδιαγραφές AC, συμπεριλαμβανομένης της ελάχιστης αναλογίας απόρριψης κοινής λειτουργίας (CMRR) 90 dB και ενός εύρους ζώνης 310 kHz.
• Επιπλέον, διαθέτει υψηλή ακρίβεια στην απόδοση DC, με μέγιστη μη γραμμικότητα κέρδους 5 ppm, μετατόπιση τάσης μετατόπισης όχι περισσότερο από 10 μV/° C και μέγιστη μετατόπιση κέρδους 5 ppm/° C.
Σε περιπτώσεις όπου η γαλβανική απομόνωση δεν αποτελεί ανησυχία, το AD8479 παρουσιάζει μια οικονομική επιλογή αντί των δαπανηρών ενισχυτών απομόνωσης.Με την εστίαση στις λειτουργίες, ο σχεδιασμός του διατηρεί το κόστος των συνιστωσών υπό έλεγχο.
Η συσκευή πλοηγεί ένα ευρύ φάσμα τάσεων κοινής λειτουργίας, προσφέροντας ευελιξία σε διάφορες απαιτητικές εφαρμογές.Παροχή μεταβατικής προστασίας έως ± 600 V, υποστηρίζει την επιχειρησιακή ασφάλεια και αξιοπιστία σε περιβάλλοντα ευαίσθητα σε διακυμάνσεις της τάσης.
Το AD8479 διαθέτει χαρακτηριστικά όπως η χαμηλή τάση μετατόπισης και η ελάχιστη μετατόπιση, εξασφαλίζοντας ακριβείς και σταθερές επιδόσεις.Ο σημαντικός λόγος απόρριψης κοινής λειτουργίας (CMRR) σε ένα ευρύ φάσμα συχνοτήτων ενισχύει την αξιοπιστία του.Εκτιμούμε αυτά τα χαρακτηριστικά όταν τα μηχανικά συστήματα που απαιτούν σταθερές και ακριβείς μετρήσεις υπό διαφορετικές συνθήκες.
Εγκυμοσύνη σε ένα συμπαγές πακέτο SOIC 8-Lead, το AD8479 ξεχωρίζει για τον αποτελεσματικό του σχεδιασμό, λειτουργώντας άψογα σε θερμοκρασίες από -40 ° C έως +125 ° C.Αυτή η ευελιξία αποδεικνύεται επωφελής σε τομείς όπου ο εξοπλισμός αντιμετωπίζει σοβαρές και μεταβαλλόμενες θερμοκρασίες, κοινές στην παρακολούθηση και τα εργαλεία πεδίου απόκτησης δεδομένων.
Η Analog Devices Inc. προσφέρει το AD8479ARZ, ένας ενισχυτής οργάνων που υποδεικνύει την ακρίβεια με μια ποικιλία από σχολαστικά κατασκευασμένα τεχνικά χαρακτηριστικά.Αυτά τα χαρακτηριστικά είναι επιμελημένα για να παρέχουν ένα αρμονικό μείγμα αυξημένης απόδοσης και εξαιρετικής αξιοπιστίας.Εδώ είναι οι προδιαγραφές, τα χαρακτηριστικά και οι παραμέτρους Analog Devices Inc. AD8479ARZ.
|
Τύπος |
Παράμετρος |
|
Κατάσταση κύκλου ζωής |
Παραγωγή (τελευταία ενημέρωση: 1 εβδομάδα πριν) |
|
Επικοινωνία |
Κασσίτερος |
|
Τύπος τοποθέτησης |
Επιφανειακή βάση |
|
Αριθμός καρφίτσες |
8 |
|
Θερμοκρασία λειτουργίας |
-40 ° C ~ 125 ° C |
|
Κωδικός JESD-609 |
Ε3 |
|
Κατάσταση μέρους |
Ενεργός |
|
Αριθμός τερματισμών |
8 |
|
Τερματικό έντυπο |
Γλάρος πτέρυγα |
|
Αριθμός λειτουργιών |
1 |
|
Time@Peak Reflow θερμοκρασία-max (ες) |
30 |
|
Αρίθμηση καρφίτσες |
8 |
|
Τάση τροφοδοσίας |
36V |
|
Αναλογικό IC - Άλλοι τύποι |
Αναλογικό κύκλωμα |
|
Ονομαστικό ρεύμα εφοδιασμού |
550μa |
|
Μέγιστο ρεύμα εφοδιασμού |
650μa |
|
Τύπος ενισχυτή |
Γενικού σκοπού |
|
Μέγιστη τάση εισόδου |
600V |
|
Ρεύμα εξόδου ανά κανάλι |
55mAM |
|
Κερδίστε προϊόν εύρους ζώνης |
130 kHz |
|
Αναλογία απόρριψης τροφοδοσίας (PSRR) |
90dB |
|
Μέγιστη θερμοκρασία διασταύρωσης (TJ) |
150 ° C |
|
Υψος |
1,75 χιλιοστά |
|
Πλάτος |
4 χιλιοστά |
|
Σκλήρυνση ακτινοβολίας |
Οχι |
|
Αμόλυβδος |
Περιέχει μολύβι |
|
Εργοστασιακός χρόνος παράδοσης |
8 εβδομάδες |
|
Βουνό |
Επιφανειακή βάση |
|
Πακέτο / θήκη |
8-SOIC (0,154, 3,90mm πλάτος) |
|
Αριθμός στοιχείων |
1 |
|
Συσκευασία |
Σωλήνας |
|
Κωδικός PBFREE |
Ε3 |
|
Επίπεδο ευαισθησίας υγρασίας (MSL) |
3 (168 ώρες) |
|
Θέση τερματικού |
ΔΙΠΛΟΣ |
|
Θερμοκρασία αναδιαμόρφωσης αιχμής (CEL) |
260 |
|
Τάση τροφοδοσίας |
15V |
|
Αριθμός εξαρτήματος βάσης |
AD8479 |
|
Τύπος εξόδου |
Σιδηροτροχιά |
|
Τάση τροφοδοσίας (VSUP) |
2.5V |
|
Ρεύμα τροφοδοσίας |
650μa |
|
Ρεύμα εξόδου |
10α |
|
Επιτόκιο |
8V/μs |
|
Κοινή αναλογία απόρριψης λειτουργίας |
90 dB |
|
Τάση - Προμήθεια, μονή/διπλή (±) |
± 2,5V ~ 18V |
|
Τάση μετατόπισης εισόδου (VOS) |
500μV |
|
NEG Τάση τροφοδοσίας-Νομ (VSUP) |
-15V |
|
Ρύθμιση |
11 μs |
|
Υψηλή κλίμακα θερμοκρασίας περιβάλλοντος |
125 ° C |
|
Μήκος |
5mm |
|
Φτάστε στο SVHC |
Όχι SVHC |
|
Κατάσταση ROHS |
Συμμορφώνεται με το ROHS |

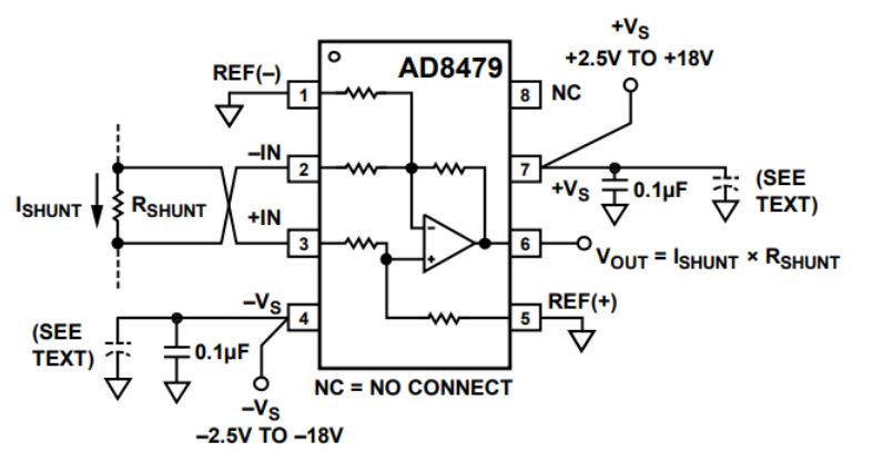
Το παρακάτω σχήμα απεικονίζει τις συνδέσεις που απαιτούνται για τη λειτουργία του AD8479 με διπλό τροφοδοτικό.Σε αυτή τη διαμόρφωση, εφαρμόζεται τάση τροφοδοσίας που κυμαίνεται από ± 2,5 V έως ± 18 V σε ολόκληρο τον ακροδέκτη 7 (θετική προσφορά) και τον ακροδέκτη 4 (αρνητική παροχή).Συνιστάται η τοποθέτηση πυκνωτών 0,1 μF κοντά σε αυτές τις ακίδες για αποτελεσματική αποσύνδεση κάθε τροφοδοσίας.Εάν υπάρχει θόρυβος χαμηλής συχνότητας στην παροχή ρεύματος, επιπλέον 10 μΡ ηλεκτρολυτικούς πυκνωτές, τοποθετημένοι επίσης κοντά στους ακροδέκτες τροφοδοσίας, μπορεί να είναι η σταθεροποίηση της απόδοσης.Ενώ ένα μόνο σύνολο 10 μΡ πυκνωτών μπορεί να εξυπηρετήσει πολλαπλούς ενισχυτές, κάθε ενισχυτής AD8479 θα πρέπει να έχει το δικό του ειδικό σύνολο 0,1 μΡ πυκνωτών.Αυτό εξασφαλίζει ότι το σημείο αποσύνδεσης τοποθετείται απευθείας στις ακίδες ισχύος IC, βελτιστοποιώντας τη σταθερότητα και ελαχιστοποιώντας τις πιθανές παρεμβολές.

Το διαφορικό σήμα εισόδου, που συνήθως παράγεται από ένα ρεύμα φορτίου που ρέει μέσω μιας μικρής αντίστασης διακλάδωσης, εφαρμόζεται στον ακροδέκτη 2 και τον ακροδέκτη 3 με την πολικότητα που φαίνεται στο προηγούμενο σχήμα για να επιτευχθεί θετικό κέρδος.Το AD8479 μπορεί να φιλοξενήσει μια τάση κοινής λειτουργίας στη διαφορική είσοδο που κυμαίνεται από -600 V έως +600 V, με μέγιστη διαφορική τάση ± 14,7 V. Όταν ρυθμίζεται όπως φαίνεται, η συσκευή λειτουργεί ως ένα απλό κέρδος-1,Ο ενισχυτής διαφορικού προς τα εντυπωσιακά, όπου η τάση εξόδου είναι άμεσα ανάλογη προς το προϊόν της αντίστασης της διακλάδωσης και του ρεύματος διακλάδωσης.Αυτή η έξοδος αναφέρεται σε σχέση με τον ακροδέκτη 1 και τον ακροδέκτη 5. Για το κέρδος ενότητας, ο ακροδέκτης 1 (ref-) και ο ακροδέκτης 5 (ref+) θα πρέπει να συνδέονται με ένα επίπεδο εδάφους χαμηλής απεικόνισης, εξασφαλίζοντας μια σταθερή αναφορά εδάφους και αποτρέποντας την αποικοδόμηση κοινού-Μερία απόρριψη.Ο ακροδέκτης 8 είναι ένας ακροδέκτης χωρίς σύνδεση και πρέπει να παραμείνει ανεξέλεγκτη.
Το AD8479 είναι ένας ενισχυτής ενότητας, διαφορικού προς τα-τέλους που έχει σχεδιαστεί για να απορρίπτει υψηλά σημάδια κοινής λειτουργίας μέχρι 600 V με προμήθειες ± 15 V.Συνδυάζει έναν επιχειρησιακό ενισχυτή ακριβείας με ένα δίκτυο αντίστασης αντιστοίχισης, επιτρέποντάς του να μετατρέψει με ακρίβεια τα μικρά διαφορικά σήματα σε έξοδο ενός τύπου, ακόμη και παρουσία μεγάλων τάσεων κοινής λειτουργίας.Αυτός ο σχεδιασμός το καθιστά ιδανικό για εφαρμογές όπως η τρέχουσα ανίχνευση και η απόκτηση σήματος υψηλής τάσης.

Για να επιτύχει το υψηλό εύρος τάσης κοινής λειτουργίας, το AD8479 χρησιμοποιεί έναν εσωτερικό διαιρέτη αντίστασης, συνδεδεμένο με τους ακροδέκτες 3 και τον ακροδέκτη 5, ο οποίος εξασθενεί το σήμα μη μετατροπής με συντελεστή 60.Η αντίσταση ανάδρασης, στη συνέχεια, αποκαθιστά το κέρδος, αποδίδοντας ένα διαφορικό κέρδος ενότητας.Η συνάρτηση μεταφοράς της συσκευής δίνεται από: vout = v (+in) - v (-in).
Το κτύπημα με λέιζερ εξασφαλίζει την ακριβή αντιστοίχιση αντίστασης, επιτρέποντας την ισχυρή απόρριψη των σημάτων κοινής λειτουργίας, ενώ ενισχύει τις διαφορικές εισροές.Για να ελαχιστοποιηθεί η μετατόπιση της τάσης εξόδου, το στάδιο εισόδου του ενισχυτή OP περιλαμβάνει τα τρανζίστορ Super Beta, την ελαχιστοποίηση της μετατόπισης του ρεύματος μετατόπισης και της μετατόπισης που σχετίζεται με τη θερμοκρασία, διατηρώντας παράλληλα τον θόρυβο της τάσης λόγω γωνίας θορύβου 1/F κάτω από 5 Hz.Επιπλέον, το κέρδος τάσης ανοιχτού βρόχου του OP AMP υπερβαίνει τα 20 εκατομμύρια V/V, με PSRR άνω των 90 dB, ενισχύοντας την ακρίβεια κέρδους και τη σταθερότητα.
|
|
AD8479ARZ |
LR645LG-G |
HV9861ALG-G |
HV9910BLG-G |
AD8479BRZ |
|
Κατασκευαστής |
Analog Devices Inc. |
Τεχνολογία μικροτσίπ |
Τεχνολογία μικροτσίπ |
Τεχνολογία μικροτσίπ |
Analog Devices Inc. |
|
Πακέτο / θήκη |
8-SOIC (0,154, 3,90mm πλάτος) |
8-SOIC (0,154, 3,90mm πλάτος) |
8-SOIC (0,154, 3,90mm πλάτος) |
8-SOIC (0,154, 3,90mm πλάτος) |
8-SOIC (0,154, 3,90mm πλάτος) |
|
Αριθμός καρφίτσες |
8 |
8 |
8 |
8 |
8 |
|
Ρεύμα εξόδου |
10 α |
10 α |
- |
- |
- |
|
Μέγιστη τάση εισόδου |
600 V |
600 V |
600 V |
450 V |
450 V |
|
Αριθμός τερματισμών |
8 |
8 |
8 |
8 |
8 |
|
Βουνό |
Επιφανειακή βάση |
Επιφανειακή βάση |
Επιφανειακή βάση |
Επιφανειακή βάση |
Επιφανειακή βάση |
|
Φτάστε στο SVHC |
Όχι SVHC |
Όχι SVHC |
Όχι SVHC |
Όχι SVHC |
Όχι SVHC |
|
Θερμοκρασία αναδιαμόρφωσης αιχμής (° C) |
260 |
260 |
260 |
260 |
260 |
Λόγω της ακρίβειας και της αξιοπιστίας της στην αξιολόγηση των διαφορικών σημάτων, το AD8479 παίζει ρόλο στην ανίχνευση ρεύματος υψηλής τάσης.Τα βιομηχανικά περιβάλλοντα βασίζονται σε αυτή την ακρίβεια για την παρακολούθηση της κατανάλωσης ενέργειας, η οποία, με τη σειρά της, ενισχύει τόσο την επιχειρησιακή αποτελεσματικότητα όσο και την ασφάλεια.Για παράδειγμα, στα δίκτυα ηλεκτρικής ενέργειας, η ανίχνευση ιόντων V ariat στην τρέχουσα ροή είναι θεμελιώδης για την αποφυγή υπερφόρτωσης, εξασφαλίζοντας παράλληλα την αδιάλειπτη παράδοση ισχύος.Εκμεταλλεύουμε αυτές τις δυνατότητες για να υποστηρίξουμε την κορυφαία απόδοση, επωφελούμενοι από τα χαρακτηριστικά απομόνωσης που προστατεύουν ευαίσθητα δεδομένα σε διαφορετικά τμήματα κυκλώματος.
Στην τεχνολογία της μπαταρίας, η επαγρύπνηση τόσο της τάσης όσο και της ρεύματος αποδεικνύει τη διατήρηση της αποτελεσματικότητας και την επέκταση των διαστημάτων ζωής.Το AD8479 υπερέχει παρέχοντας ακριβείς μετρήσεις, οι οποίες βοηθούν στη διαχείριση διαφορετικών συστημάτων μπαταρίας.Αυτά τα σενάρια περιλαμβάνουν ηλεκτρικά οχήματα, όπου η ακριβής παρακολούθηση στηρίζει τόσο την ασφάλεια όσο και την αποτελεσματικότητα των μπαταριών κατά την καθημερινή χρήση.Αυτό το συστατικό μειώνει τα δεξιόστροφα τους κινδύνους υπερθέρμανσης, ενισχύοντας τη διάρκεια ζωής των κυττάρων της μπαταρίας με ελάχιστη παρέμβαση κατά τη διάρκεια της συνήθους συντήρησης - ένας παράγοντας που ενισχύει σημαντικά την αξιοπιστία του με την πάροδο του χρόνου.
Τα πλεονεκτήματα του AD8479 είναι εμφανή στα συστήματα ελέγχου κινητήρα, όπου η ακρίβειά του υποστηρίζει ενεργειακά αποδοτική λειτουργία και αυξάνει τη μακροζωία κινητήρα.Οι βιομηχανικοί μηχανισμοί και οι μηχανισμοί ελέγχου αυτοματισμού απαιτούν σταθερούς και ευαίσθητους μηχανισμούς ελέγχου για να μειώσουν τη φθορά ενώ ενισχύουν τη λειτουργικότητα.Συχνά ενσωματώνουμε το AD8479 με άλλα μέρη για να σχεδιάσουμε συστήματα που επιτυγχάνουν αβίαστα αυτούς τους στόχους.Μέσω της σχολαστικής βαθμονόμησης, το συστατικό ενσωματώνεται ομαλά σε προϋπάρχοντα συστήματα, βελτιώνοντας έτσι τα πρωτόκολλα ασφαλείας και ενισχύοντας την επιχειρησιακή αποτελεσματικότητα.
Πολλά συστήματα απαιτούν ισχυρή απομόνωση σήματος για την πρόληψη της διαφθοράς δεδομένων και την ενεργοποίηση ασφαλών λειτουργιών.Το AD8479 γίνεται σε αυτά τα πλαίσια, ειδικά σε τηλεπικοινωνίες, όπου η διατήρηση της συνεπής ακεραιότητας του σήματος είναι υψίστης σημασίας.Με την απομόνωση των τμημάτων ευάλωτων σε παρεμβολές, το συστατικό διασφαλίζει τη συνεχή αποτελεσματική επικοινωνία με ελάχιστες διαταραχές.Αυτή η προσέγγιση απευθύνεται στους επαγγελματίες, καθώς μειώνει την εξάρτηση από τους περίπλοκες προστατευτικούς μηχανισμούς, προσφέροντας μια απλή αλλά αποτελεσματική μέθοδο για να εξασφαλιστεί η πιστότητα των δεδομένων σε διάφορα δίκτυα.

Οι αναλογικές συσκευές βρίσκονται στην πρώτη γραμμή της επαναστατικής μηχανικής ολοκληρωμένου κυκλώματος (IC) από το 1965, παρέχοντας μετασχηματιστικές λύσεις σε όλο το τεράστιο τοπίο των ηλεκτρονικών συστημάτων.Τα έμπειρα σχεδιασμένα προϊόντα τους είναι γνωστά για τη μετάφραση των μετρήσεων σε εξαιρετικά ακριβή ηλεκτρονικά σήματα, παρουσιάζοντας μια ακλόνητη ιστορία αξιοπιστίας και ανώτερης ποιότητας.
Σχετικά με εμάς
Ικανοποίηση του πελάτη κάθε φορά.Αμοιβαία εμπιστοσύνη και κοινά συμφέροντα.
Περιεκτικός οδηγός για το DS1302 RTC
2024-11-09
Ο οδηγός σας στο NRF52833 RF πομποδέκτη
2024-11-09
Γιορτάζεται για την αξιοσημείωτη ικανότητά του να χειρίζεται ένα ευρύ φάσμα τάσης κοινής λειτουργίας εισόδου, το AD8479 είναι προσαρμοσμένο για ακρίβεια.Εξαρτάται από την παροχή ακριβών μετρήσεων διαφορικού σήματος, ακόμη και όταν αντιμετωπίζει σημαντικές τάσεις κοινής λειτουργίας που εκτείνονται μέχρι ± 600 V. Αυτή η επάρκεια προσφέρει σημαντική αξία σε περίπλοκα συστήματα όπου η ακρίβεια υψηλής τάσης είναι επιτακτική.
Το AD8479 αναδύεται ως μια βιώσιμη εναλλακτική λύση σε δαπανηρούς ενισχυτές απομόνωσης όταν δεν αναζητείται γαλβανική απομόνωση.Η απόφαση αυτή μειώνει σημαντικά το κόστος σε σενάρια όπου η ακριβής μέτρηση του σήματος έχει προτεραιότητα χωρίς την πρόσθετη πολυπλοκότητα που σχετίζεται με την απομόνωση.Αυτή η επιλογή εξαρτημάτων αντικατοπτρίζει μια συνετή ισορροπία μεταξύ οικονομικής αποτελεσματικότητας και ευρωστίας απόδοσης.
Εγκυμοσύνη σε ένα πακέτο SOIC που εξοικονομεί 8-μολύβδου, το AD8479 επιδεικνύει αξιόπιστη απόδοση σε ένα εκτεταμένο φάσμα θερμοκρασίας που κυμαίνεται από -40 ° C έως +125 ° C.Αυτή η μηχανική προσφέρει προσαρμοστικότητα και ανθεκτικότητα, καθιστώντας την έξυπνη επιλογή για μια πληθώρα περιβαλλοντικών συνθηκών, είτε σε λειτουργίες υψηλότερης θερμοκρασίας είτε σε πιο δροσερές ρυθμίσεις.
ΗΛΕΚΤΡΟΝΙΚΗ ΔΙΕΥΘΥΝΣΗ: Info@ariat-tech.comHK TEL: +852 30501966ΠΡΟΣΘΕΤΩ: Rm 2703 27Ρ Ho King Comm Center 2-16,
Φου Γιουέν Σεν Μόνγκ Κοκ Κονόλ, Χονγκ Κονγκ.