
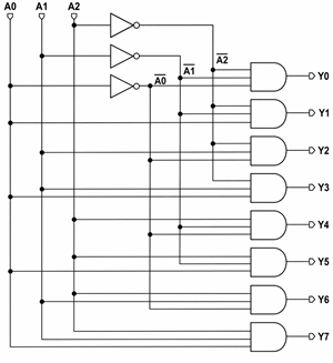
Α δυαδικός αποκωδικοποιητής είναι α συνδυαστικό λογικό κύκλωμα που μεταμορφώνει ή δυαδικό n-bit εισαγωγή όνομα μέχρι 2 μοναδικές γραμμές εξόδου.Κάθε έξοδος αντιστοιχεί σε συγκεκριμένο συνδυασμό εισόδου.
Με απλά λόγια, ένας αποκωδικοποιητής μετατρέπει δυαδικά δεδομένα σε μία από τις πολλές πιθανές εξόδους.Γενικά θεωρείται το αντίθετο ενός κωδικοποιητή.
Οι περισσότεροι αποκωδικοποιητές περιέχουν μια ενεργή είσοδο, η οποία ελέγχει εάν το κύκλωμα λειτουργεί ή όχι.Όταν είναι ανενεργό, όλες οι έξοδοι παραμένουν ανενεργές.

Ενεργοποιεί έναν αποκωδικοποιητή αποτέλεσμα μιας γραμμής με βάση το συνδυασμό εισόδου.Σήματα εισόδου παράγονται χρησιμοποιώντας ΟΧΙ η πύλη να μεταμορφωθεί και Και η πύλη για ενοποίηση, επιτρέποντας έναν σωστό κύκλο παραγωγής.Οποιοδήποτε αποτέλεσμα με α συνδυασμός μονής εισόδου, όταν η ενεργή είσοδος καθορίζει εάν είναι αποκωδικοποιητής ή όχι ενεργός.

Ένας αποκωδικοποιητής 2-to-4 έχει 2 γραμμές εισόδου και 4 γραμμές εξόδου.Λόγω του απλού σχεδιασμού και της εύκολης εφαρμογής του, χρησιμοποιείται συχνά σε βασικά ψηφιακά κυκλώματα.
Ενημερωτικό δελτίο:
|
Α |
Β |
έξοδος |
|
0 |
0 |
Υ0 |
|
0 |
1 |
Υ1 |
|
1 |
0 |
Υ2 |
|
1 |
1 |
Υ3 |

Ένας αποκωδικοποιητής 3-to-8 έχει 3 γραμμές εισόδου και 8 γραμμές εξόδου.Χρησιμοποιείται συνήθως σε συστήματα διευθυνσιοδότησης και ελέγχου μνήμης και είναι επίσης γνωστός ως αποκωδικοποιητής δυαδικού σε οκταδικό.
Ενημερωτικό δελτίο:
|
Α |
Β |
Γ |
Ενεργός
έξοδος |
|
0 |
0 |
0 |
Υ0 |
|
0 |
0 |
1 |
Υ1 |
|
0 |
1 |
0 |
Υ2 |
|
0 |
1 |
1 |
Υ3 |
|
1 |
0 |
0 |
Υ4 |
|
1 |
0 |
1 |
Υ5 |
|
1 |
1 |
0 |
Υ6 |
|
1 |
1 |
1 |
Υ7 |

Ένας αποκωδικοποιητής 4-to-16 έχει 4 γραμμές εισόδου και 16 γραμμές εξόδου.Χρησιμοποιείται σε πολύπλοκα ψηφιακά συστήματα και είναι κατάλληλο για μεγάλα σχέδια όπου χρειάζονται περισσότερες επιλογές εξόδου.
Ενημερωτικό δελτίο:
|
Α |
Β |
Γ |
Δ |
Ενεργός
έξοδος |
|
0 |
0 |
0 |
0 |
Υ0 |
|
0 |
0 |
0 |
1 |
Υ1 |
|
0 |
0 |
1 |
0 |
Υ2 |
|
0 |
0 |
1 |
1 |
Υ3 |
|
0 |
1 |
0 |
0 |
Υ4 |
|
0 |
1 |
0 |
1 |
Υ5 |
|
0 |
1 |
1 |
0 |
Υ6 |
|
0 |
1 |
1 |
1 |
Υ7 |
|
1 |
0 |
0 |
0 |
Υ8 |
|
1 |
0 |
0 |
1 |
Υ9 |
|
1 |
0 |
1 |
0 |
Υ10 |
|
1 |
0 |
1 |
1 |
Υ11 |
|
1 |
1 |
0 |
0 |
Υ12 |
|
1 |
1 |
0 |
1 |
Υ13 |
|
1 |
1 |
1 |
0 |
Υ14 |
|
1 |
1 |
1 |
1 |
Υ15 |
Καθώς ο αριθμός των εισόδων αυξάνεται, ο αριθμός των εξόδων αυξάνεται εκθετικά.
Βήμα 1: Καθορισμός εισόδων και εξόδων
Εισαγωγή: Α, Β
Έξοδος: Y0, Y1, Y2, Y3
Βήμα 2: Ενημερωτικό Φύλλο
|
Εισαγωγή
(AB) |
έξοδος |
|
00 |
Υ0 |
|
01 |
Υ1 |
|
10 |
Υ2 |
|
11 |
Υ3 |
Βήμα 3: Boolean εκφράσεις
• Y0 = A'B'
• Υ1 = Α'Β
• Υ2 = ΑΒ'
• Υ3 = ΑΒ
Βήμα 4: Εφαρμογή
• Χρησιμοποιήστε τις πύλες ΟΧΙ για τη δημιουργία Α' και Β'
• Χρησιμοποιήστε τις πύλες ΚΑΙ για να δημιουργήσετε οποιοδήποτε αποτέλεσμα
Για την υλοποίηση μπορούν να χρησιμοποιηθούν δυαδικοί αποκωδικοποιητές Boolean συναρτήσεις γιατί κάθε έξοδος α minterm των μεταβλητών εισόδου. Οι σύνθετες λογικές συναρτήσεις μπορούν να υλοποιηθούν επιλέγοντας και συνδυάζοντας συγκεκριμένες εξόδους.
Παράδειγμα:
F(A, B, C) = Σ(1, 3, 5, 7)
Για να εφαρμόσετε αυτήν τη λειτουργία χρησιμοποιώντας έναν δυαδικό αποκωδικοποιητή, καθώς υπάρχουν τρεις μεταβλητές εισόδου, χρησιμοποιήστε έναν δυαδικό αποκωδικοποιητή 3 έως 8.Συνδέστε την είσοδο Α, Β, και Γ στις εισόδους του αποκωδικοποιητή και, στη συνέχεια, επιλέξτε τις εξόδους που ταιριάζουν με το Minterman 1, 3, 5, και 7 (Υ1, Υ3, Υ5 και Υ7).Τέλος, αυτά τα προϊόντα χρησιμοποιούν ή Ή πύλη για να παραχθεί η επιθυμητή έξοδος.
Η έξοδος της πύλης OR δίνει την απαιτούμενη συνάρτηση Boolean.

Σχήμα 6. 74LS137 3-to-8 αποκωδικοποιητή IC Pin Διάγραμμα
Το 74LS137 Είναι ένας αποκωδικοποιητής 3 επί 8 με χωρητικότητα bit.Διαθέτει τρεις γραμμές εισόδου (Α, Β και Γ) και οκτώ γραμμές εξόδου (Y0 έως Y7), με κουμπιά ενεργοποίησης για έλεγχο.Περιλαμβάνει επίσης έναν ενσωματωμένο βρόχο που αποθηκεύει τιμές εισόδου.
Σε αυτόν τον αποκωδικοποιητή, οι έξοδοι είναι ενεργές ΧΑΜΗΛΟ, που σημαίνει ότι όταν επιλέγεται ένα προϊόν, γίνεται 0 (ΧΑΜΗΛΟ) αντ' αυτού 1, ενώ όλα τα υπόλοιπα προϊόντα παραμένουν ΥΨΗΛΑ.
Σε ένα σύστημα μνήμης, ένας αποκωδικοποιητής μπορεί να χρησιμοποιηθεί για την επιλογή ενός τσιπ μνήμης από πολλά.Μόνο η επιλεγμένη γραμμή πηγαίνει LOW, η οποία ενεργοποιεί το συγκεκριμένο τσιπ.
|
Καρφίτσα
Όχι. |
Καρφίτσα
Επιστολή |
Τύπος |
Περιγραφή |
|
1 |
Α |
Εισαγωγή |
επιλογή εισόδου (LSB) |
|
2 |
Β |
Εισαγωγή |
Επιλέξτε είσοδο |
|
3 |
Γ |
Εισαγωγή |
Επιλογή εισόδου (MSB) |
|
4 |
GL̅ |
Ενεργοποίηση/Απενεργοποίηση |
Ενεργοποιήστε την ενεργή μείωση LOW |
|
5 |
G2̅ |
Ενεργοποιήστε το |
Ενεργοποίηση ενεργού LOW |
|
6 |
G1 |
Ενεργοποιήστε το |
Ενεργοποιήστε το Active HIGH |
|
7 |
Υ7 |
έξοδος |
Γραμμή εξόδου 7 (ενεργό LOW) |
|
8 |
GND |
Δύναμη |
Γη |
|
9 |
Υ6 |
έξοδος |
Γραμμή εξόδου 6 (ενεργό LOW) |
|
10 |
Υ5 |
έξοδος |
Γραμμή εξόδου 5 (ενεργό LOW) |
|
11 |
Υ4 |
έξοδος |
Γραμμή εξόδου 4 (ενεργό LOW) |
|
12 |
Υ3 |
έξοδος |
Γραμμή εξόδου 3 (ενεργό LOW) |
|
13 |
Υ2 |
έξοδος |
Γραμμή εξόδου 2 (ενεργό LOW) |
|
14 |
Υ1 |
έξοδος |
Γραμμή εξόδου 1 (ενεργό LOW) |
|
15 |
Υ0 |
έξοδος |
Γραμμή εξόδου 0 (ενεργό LOW) |
|
16 |
Vcc |
Δύναμη |
Παροχή + 5V |
• Αποκωδικοποίηση διεύθυνσης μνήμης
• Αποκωδικοποίηση εντολών σε επεξεργαστές
• Επιλογή συσκευής
• Εικονογραφήσεις σε επτά μέρη
• Συστήματα διαχείρισης δεδομένων
|
Χαρακτηριστικά |
Δυαδικό
Αποκωδικοποιητής |
Αποπολυπλέκτης |
|
Λειτουργία |
Επιλέγει μία γραμμή εξόδου |
Κατευθύνει τα δεδομένα σε μία έξοδο |
|
Εισροές |
Δυαδικοί κωδικοί εισαγωγής |
Εισαγωγή δεδομένων + επιλεγμένες γραμμές |
|
Η επέμβαση |
Ενεργοποιεί ένα αποτέλεσμα |
Βελτιώνει τη ροή δεδομένων |
|
χρήση |
Επιλογή / έλεγχος |
Διανομή δεδομένων |
Οι δυαδικοί αποκωδικοποιητές βοηθούν στην απλοποίηση των ψηφιακών κυκλωμάτων επιλέγοντας τη σωστή έξοδο από πολλές επιλογές.Χρησιμοποιούνται ευρέως σε συστήματα μνήμης, επεξεργαστές και εφαρμογές ελέγχου.Η κατανόησή τους διευκολύνει την εκμάθηση και την εφαρμογή των εννοιών της ψηφιακής ηλεκτρονικής.
Σχετικά με εμάς
Ικανοποίηση του πελάτη κάθε φορά.Αμοιβαία εμπιστοσύνη και κοινά συμφέροντα.
ASIC εναντίον FPGA: Ποιο να επιλέξετε;
2026-04-24
Τι είναι τα Co-Packaged Optics (CPO);Επισκόπηση, Οφέλη και Εφαρμογές
2026-04-23
Επιλέξτε έναν αποκωδικοποιητή με βάση τον αριθμό των μεταβλητών εισόδου, τις απαιτούμενες εξόδους και εάν απαιτούνται λειτουργίες όπως η ενεργοποίηση ή το κλείδωμα.
Ναι, οι αποκωδικοποιητές χρησιμοποιούνται σε μικροελεγκτές για την αποκωδικοποίηση διευθύνσεων και την επιλογή μνήμης ή περιφερειακών συσκευών.
Η καθυστέρηση διάδοσης προκαλεί μια μικρή καθυστέρηση μεταξύ των αλλαγών εισόδου και προκύπτουσα απόκριση, η οποία μπορεί να επηρεάσει τα ψηφιακά συστήματα υψηλής ταχύτητας.
Ναι, οι αποκωδικοποιητές μπορούν να ενωθούν για να δημιουργήσουν μεγαλύτερους αποκωδικοποιητή, όπως η κατασκευή ενός αποκωδικοποιητή 4 έως 16 χρησιμοποιώντας μικρότερους.
Οι αποκωδικοποιητές επιλέγουν συγκεκριμένες θέσεις μνήμης ενεργοποιώντας μία γραμμή διεύθυνσης κάθε φορά και διασφαλίζουν τη σωστή πρόσβαση στα δεδομένα.
M50FW040K5GΗΛΕΚΤΡΟΝΙΚΗ ΔΙΕΥΘΥΝΣΗ: Info@ariat-tech.comHK TEL: +852 30501966ΠΡΟΣΘΕΤΩ: Rm 2703 27Ρ Ho King Comm Center 2-16,
Φου Γιουέν Σεν Μόνγκ Κοκ Κονόλ, Χονγκ Κονγκ.